您好,歡迎光臨帝國科技!
帝國博客
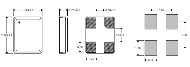
更多>>松圖SAW212系列陶瓷SMD雙焊盤汽車鐘表晶振
來源:http://www.luck-168.com.cn 作者:帝國科技電子 2026年04月28
松圖SAW212系列陶瓷SMD雙焊盤汽車鐘表晶振
在全球汽車產業向智能化,網聯化,高端化加速轉型,汽車鐘表向精準化,小型化,高可靠方向升級的當下,時鐘晶振作為汽車鐘表的"核心心臟",其頻率穩定性,環境適應性,安裝便捷性與使用壽命,直接決定了汽車鐘表的計時精度,運行可靠性,更是保障汽車內飾高端質感與使用體驗的關鍵核心元件.汽車鐘表作為汽車內飾的重要組成部分,不僅承擔著精準計時的基礎功能,更成為彰顯汽車品牌格調,提升內飾科技感與精致度的重要載體,隨著消費者對汽車內飾品質要求的不斷提升,以及汽車電子環境的日趨復雜,市場對汽車鐘表用晶振提出了更為嚴苛的要求——汽車級可靠性,精準的頻率輸出,小型化SMD封裝,便捷的雙焊盤安裝,以及對高低溫,振動,電磁干擾等復雜工況的超強適配能力.當前,晶振行業正朝著片式化,小型化方向快速發展,SMD封裝晶振憑借尺寸小,易貼裝等特點,已成為市場主流,尤其在汽車電子領域,片式化率不斷提升,逐步替代傳統直插式晶振,成為汽車鐘表等內飾電子元件的優選封裝類型.同時,陶瓷晶振憑借優異的環境適應性,穩定的頻率特性,在汽車鐘表等對成本與可靠性均有要求的場景中占據重要地位,與石英晶振,硅晶振形成互補,滿足不同場景的差異化需求.反觀傳統汽車鐘表晶振,普遍存在封裝體積偏大,安裝不便,頻率穩定性欠佳,抗干擾能力弱,無法適配汽車復雜工況等痛點,要么難以滿足汽車鐘表小型化,精致化的設計需求,要么在高低溫,振動等復雜環境下出現計時偏差,故障頻發等問題,已逐漸無法適配高端汽車鐘表的升級需求,高性能汽車級陶瓷SMD晶振成為行業升級的必然選擇.Suntsu(松圖)作為全球知名的頻率控制元件專業制造商,深耕頻率控制領域數十年,始終以技術創新為核心驅動力,憑借深厚的技術積淀,嚴苛的汽車級品質管控體系與先進的生產制造能力,在晶振領域樹立了專業,可靠的行業標桿,尤其在汽車級晶振研發與生產方面,積累了豐富的行業經驗,精準把握汽車輔助駕駛模塊晶振領域的核心需求,成為全球眾多汽車廠商及汽車內飾供應商的優選合作伙伴.公司集結全球資深研發工程師,深耕陶瓷晶振材質研發,SMD封裝工藝,雙焊盤結構設計等核心領域,持續推進技術迭代與產品創新,緊跟汽車產業升級趨勢,精準捕捉汽車鐘表領域的核心痛點,其研發生產的SAW212系列陶瓷SMD雙焊盤汽車鐘表晶振,正是針對汽車鐘表精準計時,便捷安裝,穩定運行的核心需求量身打造,以陶瓷材質,SMD雙焊盤,汽車級可靠性,精準頻率輸出等核心優勢,完美契合汽車鐘表行業升級需求,成為高端汽車鐘表,車載計時設備的優選晶振元件,贏得了全球汽車內飾廠商的高度認可與廣泛應用.深圳市帝國科技有限公司作為Suntsu松圖品牌官方授權代理,深耕電子元器件領域十余年,憑借扎實的專業技術儲備,豐富的行業服務經驗,充足的原廠現貨庫存,高效便捷的供應鏈服務以及貼心完善的售后保障體系,與Suntsu原廠建立了深度戰略合作關系,擁有原廠直接供貨權限,為國內各行業客戶搭建起直達Suntsu原廠的高效采購通道,徹底解決客戶采購過程中的貨源擔憂,周期漫長,技術支持不足等核心痛點.我們始終堅守誠信經營理念,嚴格把控產品品質,全程保障采購流程透明可控.今日,我們特為您全面解析Suntsu松圖SAW212系列陶瓷SMD雙焊盤汽車鐘表晶振,深入拆解其核心技術,性能優勢,應用場景與核心價值,帶您全方位了解這款汽車級高性能晶振的獨特優勢,助力您的汽車鐘表產品突破品質瓶頸,實現升級迭代,在激烈的市場競爭中搶占先機,贏得主動.
品牌背書:Suntsu松圖,汽車級晶振領域的實力標桿
Suntsu(松圖)是一家專注于頻率控制元件研發,生產,銷售的全球領先制造商,深耕行業數十年,始終秉持"技術創新,品質至上,客戶導向"的核心理念,憑借強大的研發團隊,先進的生產設備以及嚴苛的汽車級品質管控體系,成為全球頻率控制領域的知名品牌,尤其在汽車級晶振領域,憑借卓越的產品性能與可靠的品質,贏得了全球汽車行業的高度認可.公司擁有一支由資深工程師組成的研發團隊,深耕陶瓷晶振材質,SMD封裝工藝,雙焊盤結構設計,汽車級環境適配等核心領域,持續推進技術迭代與產品創新,緊跟汽車產業向智能化,高端化轉型的發展趨勢,精準對接市場對汽車級晶振的嚴苛需求,不斷推出適配各類汽車電子場景的高性能產品,涵蓋陶瓷晶振,石英晶振,振蕩器等全系列頻率控制元件,全方位滿足汽車鐘表,車載導航,車載娛樂,車身控制等多領域的應用需求.
Suntsu始終將汽車級產品品質放在首位,嚴格遵循ISO9001國際質量體系認證與汽車行業IATF16949質量體系認證標準,建立了從原材料采購,產品研發,生產制造到成品檢測,出廠交付的全流程汽車級品質管控體系,確保每一款產品都符合汽車電子的嚴苛要求.原材料均選用全球優質陶瓷基材與電極材料,經過嚴格的篩選與檢測,確保原材料的穩定性,可靠性與汽車級兼容性,從源頭規避材質缺陷導致的產品故障;生產過程采用自動化生產線與精密檢測設備,每一道工序都經過嚴格的參數校準與質量檢驗,最大限度降低產品不良率,尤其在陶瓷基材成型,電極鍍層,SMD封裝,雙焊盤焊接等關鍵工序,實行全程可視化監控,確保工藝精度與產品一致性;成品出廠前,需經過高溫,低溫,冷熱沖擊,振動,電磁干擾,濕度測試,鹽霧測試等多維度汽車級環境測試,模擬汽車行駛過程中的各類復雜工況,確保產品在極端環境下均能穩定運行,滿足汽車電子長期可靠運行的需求.多年來,Suntsu產品以超高的頻率穩定性,優異的環境適應性,便捷的安裝特性與可靠的品質著稱,廣泛應用于全球各類高端汽車電子設備,服務于數千家汽車廠商與汽車內飾供應商,憑借穩定的產品性能與完善的服務體系,贏得了行業內的高度認可與良好口碑,成為汽車級晶振領域的實力標桿,更是汽車鐘表用晶振領域的引領者.
深圳市帝國科技有限公司作為美國Suntsu松圖晶振品牌官方授權代理,憑借多年在電子元器件領域的深耕細作,積累了豐富的行業經驗與專業的技術能力,與Suntsu原廠建立了深度戰略合作關系,擁有原廠直接供貨權限,徹底解決客戶采購過程中的貨源擔憂,周期漫長,技術支持不足等痛點.我們鄭重承諾,所有Suntsu松圖SAW212系列陶瓷SMD雙焊盤汽車鐘表晶振均為原廠原裝正品,直接從Suntsu原廠采購,采購流程規范透明,可提供完整的原廠資質證明,產品檢測報告與質量保證書,杜絕假貨,翻新貨,散新貨流入市場,從源頭保障產品品質,確保客戶汽車鐘表產品的運行安全與穩定性.同時,我們配備專業的技術支持團隊與高效的客服團隊,技術團隊成員均經過Suntsu原廠專業培訓,具備扎實的產品知識,豐富的應用經驗與專業的調試能力,依托充足的現貨庫存,可快速響應客戶的采購需求與技術咨詢,隨時為您解答產品選型,參數解讀,報價咨詢,應用調試等相關疑問,咨詢熱線:0755-27881119,為您提供一站式采購與技術服務,讓您采購無憂,使用無憂.
核心解析:SAW212系列,汽車鐘表晶振的標桿之作
Suntsu松圖SAW212系列陶瓷SMD雙焊盤汽車鐘表晶振,是Suntsu品牌深度洞察全球汽車產業智能化,高端化轉型趨勢,精準捕捉汽車鐘表行業向精準化,小型化,高可靠,長壽命升級的核心需求,結合全球汽車內飾廠商對晶振產品的嚴苛訴求——既要滿足汽車級復雜工況的適配能力,又要兼顧安裝便捷性與成本可控性,整合品牌數十年在陶瓷晶振材質研發,SMD封裝工藝優化,雙焊盤結構設計等領域的深厚技術積淀與核心創新成果,集結全球資深研發工程師團隊,耗時數年精心研發,經過上百次反復測試打磨,多輪工藝迭代優化而成的一款汽車級高性能陶瓷晶振,更是Suntsu在汽車鐘表用晶振領域的核心代表作之一,承載著品牌對"精準計時,穩定可靠,便捷安裝,經久耐用"的極致追求,更是Suntsu深耕汽車電子領域,踐行"品質至上"理念的生動體現.該系列以高純度汽車級陶瓷基材為核心支撐,嚴苛甄選全球優質陶瓷原材料,經過多重篩選,純度檢測,確保基材無雜質,結構均勻,從源頭保障產品的穩定性與可靠性;后續經過精準的基材成型,高溫燒結,精密拋光,電極鍍層,老化篩選等多道嚴苛工序,其中高溫燒結環節采用精準控溫技術,確保陶瓷基材的致密度與穩定性,提升材質的抗振動,抗沖擊能力;電極鍍層采用高導電,高耐腐蝕的貴金屬材料,經過精密鍍膜工藝處理,確保電極接觸良好,傳輸穩定,有效避免氧化,脫落等問題,最大限度發揮陶瓷材質本身具備的頻率穩定性,環境適應性優勢.相較于傳統石英晶振,陶瓷材質不僅成本更具優勢,更具備更強的抗振動,抗電磁干擾,抗油污能力,無需復雜的防護結構,就能適配汽車內部多電磁干擾,多振動顛簸的復雜工況,徹底解決傳統石英晶振在汽車場景中易受干擾,易損壞的痛點.同時,該系列搭配Suntsu自主研發的優化電極結構設計,通過精準測算電極間距,優化電極形狀,精準優化頻率參數,有效提升信號傳輸效率與穩定性,將頻率偏差控制在汽車級嚴苛標準范圍內,確保計時精度達到汽車級標準,滿足高端汽車鐘表對精準計時的核心需求,避免因計時偏差影響汽車內飾的高端質感與用戶體驗.在封裝工藝上,該系列采用行業領先的SMD表面貼裝封裝工藝,經過精準的尺寸管控,打造出緊湊小巧的封裝體積,相較于傳統直插式晶振,體積大幅縮減,完美適配汽車鐘表小型化,精致化的設計需求,為汽車鐘表的外觀設計,內部布局提供更多靈活性,契合當前汽車內飾輕量化,精致化的發展趨勢.更為核心的是,該系列創新采用雙焊盤結構設計,相較于傳統單焊盤晶振,雙焊盤布局經過力學結構優化,能夠有效分散焊接應力,提升焊接穩定性與牢固度,避免因汽車行駛過程中的長期振動,顛簸導致的焊接脫落,接觸不良等問題,大幅降低產品故障率,延長產品使用壽命;同時,雙焊盤設計完美適配自動化批量貼裝設備,能夠有效提升汽車鐘表的生產效率,降低人工貼裝成本,減少貼裝過程中的定位誤差,適配大規模便攜式工業晶振化生產需求,兼顧了實用性,安裝便捷性與生產便利性,為汽車鐘表廠商降低生產損耗,提升生產效率提供有力支撐.此外,該系列結合先進的密封式封裝設計,采用高密封性,高耐腐蝕性的封裝材料,經過精密封裝工藝處理,能夠有效隔絕汽車內部的灰塵,濕氣,油污,電磁干擾等不良因素對內部組件的侵蝕與影響,進一步提升產品的可靠性與耐久性,確保產品在汽車復雜工況下長期穩定運行.最終,該系列實現了陶瓷材質,SMD封裝,雙焊盤結構,汽車級可靠性的完美融合,各項性能指標均嚴格符合汽車行業IATF16949質量體系認證標準,完美適配各類高端汽車鐘表的使用需求.該系列憑借精準的計時性能,便捷的安裝特性,超強的環境適應性,長久的使用壽命,成為高端汽車鐘表,車載計時設備的核心支撐元件,既彰顯了Suntsu在汽車級晶振領域的深厚技術實力與持續創新能力,也為汽車鐘表產品的品質升級,技術迭代提供了堅實保障,助力汽車內飾廠商打造更具競爭力的高端產品.
一,核心特性:五大核心優勢,賦能汽車鐘表品質升級
SAW212系列之所以能成為高端汽車鐘表廠商的優選晶振,核心在于其五大核心特性,從陶瓷材質,SMD雙焊盤,頻率穩定性,汽車級環境適配到安裝實用性,全方位覆蓋汽車鐘表行業的高端需求,精準解決汽車鐘表在計時精度,安裝便捷性,穩定運行方面的核心痛點,具體優勢如下:
陶瓷基材加持,汽車級可靠性更出眾:SAW212系列采用汽車級高純度陶瓷基材,相較于傳統石英晶振,陶瓷材質具備更強的抗振動,抗電磁干擾,抗油污能力,更適配汽車內部復雜的運行環境,能夠有效抵御汽車行駛過程中的振動,顛簸,以及車載電子設備產生的電磁干擾,避免因外部干擾導致的計時偏差,故障頻發等問題.同時,陶瓷基材具備優異的溫度穩定性,能夠有效抵消溫度變化對頻率的影響,確保在汽車內飾高低溫環境下仍能保持穩定的頻率輸出,從材質層面保障產品的汽車級可靠性與使用壽命,完美適配汽車鐘表長期穩定運行的需求,相較于其他材質晶振,更能適應汽車行業的嚴苛工況要求.
SMD雙焊盤設計,安裝便捷且更穩定:該系列采用行業主流的SMD表面貼裝封裝工藝,體積緊湊小巧,相較于傳統直插式晶振,大幅節省安裝空間,完美適配汽車鐘表小型化,精致化的設計需求,為汽車鐘表的外觀設計提供更多靈活性,契合當前汽車內飾輕量化,精致化的發展趨勢.同時,創新采用雙焊盤結構設計,相較于單焊盤晶振,雙焊盤能夠有效提升焊接穩定性,避免因汽車行駛過程中的振動,顛簸導致的焊接脫落,接觸不良等問題,降低產品故障率;同時,雙焊盤設計適配自動化批量貼裝,能夠有效提升汽車鐘表的生產效率,降低人工成本,減少貼裝過程中的誤差,適配大規模工業化生產需求,兼顧了實用性,安裝便捷性與生產便利性,為客戶的產品設計與生產提供了更多便利.
超高頻率穩定性,計時精度更精準:SAW212系列以高純度陶瓷基材為核心,結合Suntsu歐美進口晶振專屬的頻率校準工藝與先進的溫度補償技術,實現了超高的頻率穩定性,頻率偏差控制在汽車級嚴苛標準范圍內,頻率溫度系數達到行業領先水平,能夠有效抵消溫度變化,電壓波動,振動等外部因素對頻率的影響,確保時鐘信號的精準輸出.無論是在汽車內飾高溫,低溫環境下,還是在汽車行駛過程中的振動,顛簸工況中,該系列晶振都能保持穩定的頻率輸出,為汽車鐘表提供精準的計時基準,計時精度遠超行業普通晶振,有效避免因計時偏差影響用戶體驗,彰顯汽車鐘表的高端品質,同時契合汽車鐘表對精準計時的核心需求.
汽車級環境適配,復雜工況從容應對:依托Suntsu先進的溫度補償技術與精密的密封式封裝工藝,SAW212系列可輕松適應-40℃~+85℃的寬工作溫度范圍,完美覆蓋汽車內飾的所有工作溫度場景,無論是高溫暴曬的夏季,還是低溫嚴寒的冬季,都能穩定發揮性能,打破了普通晶振在極端溫度環境下性能衰減,無法穩定運行的局限.同時,該系列經過嚴格的汽車級環境測試,具備超強的抗振動,抗電磁干擾,抗油污,抗濕氣能力,能夠從容應對汽車行駛過程中的各類復雜工況,有效抵御車載電子設備產生的電磁干擾,汽車振動顛簸,內飾油污濕氣等不良因素的影響,確保產品長期穩定運行,使用壽命遠超行業普通晶振,滿足汽車鐘表長期可靠運行的需求.
低功耗長壽命,適配汽車長期使用:SAW212系列采用優化的電路設計與低功耗陶瓷材質,在保證高性能輸出的同時,有效降低設備功耗,完美適配汽車鐘表低功耗,長期運行的需求,無需頻繁更換,減少汽車鐘表的維護成本.同時,該系列嚴格遵循Suntsu汽車級全流程品質管控標準,經過多維度環境測試與老化測試,具備極高的可靠性與耐久性,故障率極低,使用壽命長久,能夠有效降低汽車鐘表的維護成本,為客戶減少生產與使用過程中的各類損耗,同時契合汽車產品長期使用的特性,提升汽車鐘表的產品競爭力.
二,工作原理:陶瓷諧振賦能,實現汽車級精準計時
Suntsu松圖SAW212系列陶瓷SMD雙焊盤汽車鐘表晶振的核心工作原理,基于陶瓷材質的壓電效應與諧振機制,結合內部集成的振蕩電路與雙焊盤電極結構,通過精準的工藝設計與參數優化,實現時鐘信號的精準發生,穩定傳輸,其工作過程科學嚴謹,每一個環節都經過嚴格的參數校準,確保計時精度與運行穩定性,完全適配汽車鐘表的核心需求.具體來說,陶瓷材質具有獨特的壓電效應,當在陶瓷基材兩端的電極上施加交變電壓時,陶瓷基材將產生機械振動,而機械振動又會反過來產生交變電場,形成穩定的諧振效應,這種諧振效應具有極高的頻率穩定性,是晶振實現精準頻率輸出,保障計時精度的核心支撐,相較于石英晶體,陶瓷材質的諧振效應更抗干擾,更穩定,更適配汽車復雜工況.
該系列晶振內部集成了陶瓷諧振器,振蕩電路與雙焊盤電極三大核心部分,三者協同工作,相互配合,確保時鐘信號的精準發生與穩定傳輸:陶瓷諧振器作為核心部件,負責產生穩定的基準頻率,其頻率穩定性直接決定了晶振的計時精度,依托高純度陶瓷基材的優異特性,能夠有效抵御外部干擾,保持頻率穩定;振蕩電路負責將陶瓷諧振器產生的基準頻率進行放大,整形,轉化為標準的方波時鐘信號,同時優化信號波形,減少信號失真,確保時鐘信號的穩定性,為汽車鐘表提供精準的計時基準;雙焊盤電極負責將處理后的時鐘信號穩定傳輸至汽車鐘表的主控芯片,同時提升焊接穩定性,確保晶振與主控芯片之間的信號傳輸順暢,避免因接觸不良導致的計時偏差,故障等問題.此外,該系列還采用了精密的密封式封裝設計,有效減少汽車內部灰塵,濕氣,油污,電磁干擾對內部組件的影響,進一步提升晶振的性能穩定性與可靠性,確保其在汽車復雜工況下都能穩定發揮精準計時作用,為汽車鐘表的穩定運行提供堅實保障.同時,其SMD雙焊盤設計不僅提升了安裝便捷性,更確保了信號傳輸的穩定性,契合汽車電子設備的安裝與運行需求.
三,適用場景:聚焦汽車鐘表,覆蓋多類車載計時需求
憑借黑色陶瓷晶振材質,SMD雙焊盤,超高頻率穩定性,汽車級環境適配,低功耗長壽命五大核心優勢,Suntsu松圖SAW212系列陶瓷SMD雙焊盤汽車鐘表晶振精準破解了當前汽車鐘表行業的核心選型痛點,完美適配各類對計時精度,安裝便捷性,環境適應性,使用壽命要求嚴苛的高端汽車鐘表與車載計時設備,成為汽車鐘表行業升級迭代的核心元件.當前,汽車產業正加速向智能化,高端化轉型,汽車鐘表作為汽車內飾的重要組成部分,不僅追求精準計時,更注重外觀精致化,安裝便捷性與長期可靠性,同時汽車內部復雜的運行環境,對晶振的抗干擾,抗振動,寬溫適配能力提出了更高要求,傳統晶振要么無法適配汽車鐘表小型化設計,要么難以應對汽車復雜工況,已逐漸被市場淘汰.而SAW212系列憑借五大核心優勢的協同發力,既以陶瓷材質與汽車級環境適配能力,從容應對汽車復雜工況,以超高頻率穩定性保障精準計時,又以SMD雙焊盤設計解決安裝便捷性與穩定性問題,以低功耗長壽命降低維護成本,因此被廣泛應用于各類高端汽車鐘表,車載計時設備,為汽車鐘表行業的品質升級,技術創新提供了強有力的支撐,助力汽車內飾行業實現高質量發展,具體應用場景及落地案例如下:
高端汽車鐘表領域:主要應用于各類乘用車,商用車的車載鐘表,涵蓋豪華品牌汽車,中端家用汽車,新能源汽車等各類車型的內飾鐘表,無論是傳統機械風格汽車鐘表,還是智能數碼風格汽車鐘表,SAW212系列都能完美適配.憑借超高頻控制晶振,確保汽車鐘表計時精準,避免出現計時偏差;SMD雙焊盤設計適配汽車鐘表的小型化,精致化設計,節省內部安裝空間,同時提升安裝穩定性,避免因汽車振動導致的鐘表故障;陶瓷材質的抗干擾,抗振動能力,能夠有效抵御車載電子設備的電磁干擾與汽車行駛過程中的顛簸,確保鐘表長期穩定運行,提升汽車內飾的高端質感與用戶體驗,成為眾多汽車廠商的優選晶振元件.
車載輔助計時設備:適配汽車內飾中的各類輔助計時設備,如車載秒表,計時顯示模塊,車載鬧鐘等,這類設備同樣對計時精度,環境適應性有較高要求,SAW212系列憑借精準的頻率輸出與汽車級環境適配能力,能夠為這類設備提供穩定的計時基準,確保計時精準,運行可靠.同時,其低功耗特性能夠有效延長車載輔助計時設備的使用壽命,SMD雙焊盤設計便于設備的集成安裝,適配車載輔助計時設備的小型化設計需求,廣泛應用于各類汽車內飾輔助計時場景.
新能源汽車計時系統:適配新能源汽車的車載鐘表與計時系統,新能源汽車內部電子設備更多,電磁干擾更強,對晶振的抗干擾能力,穩定性要求更高,SAW212系列憑借陶瓷材質的超強抗電磁干擾能力與汽車級品質,能夠在新能源汽車復雜的電子環境中穩定運行,確保計時精準,同時其低功耗特性契合新能源汽車的節能需求,能夠有效降低車載設備的功耗,為新能源汽車的續航提升提供微弱支撐,適配新能源汽車內飾計時系統的升級需求.
汽車改裝鐘表領域:適配各類汽車改裝內飾中的鐘表產品,汽車改裝鐘表對外觀設計,安裝便捷性,穩定性有獨特需求,SAW212系列的SMD雙焊盤設計便于改裝安裝,體積小巧不占用過多改裝空間,同時其汽車級可靠性能夠確保改裝鐘表在各類行駛工況下穩定運行,精準計時,滿足汽車改裝愛好者對內飾品質與實用性的雙重需求,成為汽車改裝鐘表領域的優選晶振元件.
其他車載計時場景:還可應用于車載儀表計時模塊,車載娛樂系統計時功能,車載電子晶振等場景,憑借其精準的計時性能,穩定的運行表現與便捷的安裝特性,為各類車載計時場景提供有力支撐,適配汽車電子領域多樣化的計時需求,助力車載電子設備實現性能升級,提升用戶使用體驗.
代理保障:深圳市帝國科技,您的專屬Suntsu采購伙伴
作為Suntsu松圖品牌官方授權代理,深圳市帝國科技有限公司始終秉持"誠信經營,客戶至上,專業高效,共贏發展"的理念,深耕電子元器件領域十余年,積累了豐富的行業資源,專業的技術能力與完善的服務體系,與國內眾多汽車鐘表廠商,汽車內飾供應商建立了長期穩定的合作關系,為國內客戶提供全方位的采購服務與技術支持,徹底解決客戶采購過程中的各類痛點,成為您值得信賴的專屬Suntsu采購伙伴,讓您采購更省心,使用更放心.
正品保障,品質無憂:所有Suntsu松圖SAW212系列陶瓷SMD雙焊盤汽車鐘表晶振均為原廠原裝正品,直接從Suntsu原廠采購,采購流程規范透明,可提供完整的原廠資質證明,產品檢測報告與質量保證書,每一批產品都經過嚴格的質量檢驗,杜絕假貨,翻新貨,散新貨,從源頭保障產品品質,確保客戶汽車鐘表產品的運行安全與穩定性,避免因產品質量問題導致的設備故障,生產損失,契合汽車級產品的嚴苛品質要求.
現貨供應,快速交付:我們依托完善的供應鏈體系與充足的庫存儲備,對SAW212系列全規格產品進行常態化備貨,庫存充足,規格齊全,可快速響應客戶的采購需求,縮短交付周期,常規訂單可實現當日下單,次日發貨,特殊規格訂單也可優先協調Suntsu原廠資源,避免因缺貨,斷貨影響客戶的生產進度,為客戶的生產計劃提供有力保障,幫助客戶縮短生產周期,提升市場響應速度,搶占市場先機.
專業技術,全程支持:擁有一支經驗豐富,專業過硬的技術支持團隊,團隊成員均經過Suntsu原廠專業培訓,具備扎實的產品知識,豐富的應用經驗與專業的調試能力,尤其熟悉汽車鐘表領域的應用需求,能夠為客戶提供SAW212系列產品的選型指導,參數解讀,應用調試,故障排查等全方位技術服務.無論是前期的產品選型,還是后期的應用調試與故障處理,我們都能及時響應,快速解決客戶使用過程中的各類技術難題,助力客戶快速實現產品集成與調試,降低研發與生產成本,提升產品競爭力.
優惠價格,高性價比:作為Suntsu官方授權代理,我們享受原廠一手供貨價格,沒有中間環節,能夠為客戶提供高性價比的采購方案,在保障產品品質的同時,有效降低客戶的采購成本,提升客戶汽車鐘表產品的市場競爭力.同時,我們針對長期合作客戶,大批量采購客戶,提供專屬的價格優惠與定制化采購服務,實現互利共贏,助力客戶降低生產成本,提升盈利空間.
高效服務,貼心周到:配備專業的客服團隊,實行24小時響應機制,及時解答客戶的產品報價,庫存查詢,物流跟蹤,售后咨詢等相關疑問,提供一站式采購服務,從咨詢,選型,采購到售后,全程為客戶保駕護航.我們注重客戶體驗,致力于為客戶提供高效,貼心,周到的服務,無論客戶有任何需求,我們都能及時響應,高效解決,讓客戶采購更省心,更放心,助力客戶專注于產品研發與市場拓展.
咨詢對接:搶占汽車鐘表晶振核心資源
在全球汽車導航系統晶振產業向智能化,網聯化,高端化加速轉型的浪潮下,汽車內飾的品質競爭愈發激烈,汽車鐘表作為內飾的核心精致部件,正朝著精準化,小型化,高可靠,高顏值的方向加速升級,成為彰顯汽車品牌調性,提升用戶駕乘體驗的關鍵抓手.如今,消費者對汽車內飾的要求已不再局限于基礎功能,更追求細節質感與長期穩定性,而計時精度與運行可靠性,已然成為高端汽車鐘表拉開差距,打造核心競爭力的關鍵所在,直接決定了汽車鐘表的市場認可度與產品附加值.Suntsu松圖SAW212系列陶瓷SMD雙焊盤汽車鐘表晶振,精準契合這一行業升級趨勢,憑借陶瓷材質,SMD雙焊盤,汽車級可靠性,超高頻率穩定性等四大核心優勢,成為高端汽車鐘表升級迭代的核心支撐元件,更是Suntsu松圖品牌深耕汽車級晶振領域數十年技術實力與品質理念的生動體現.其汽車級高純度陶瓷基材,從源頭保障了產品在汽車復雜工況下的抗振動,抗電磁干擾,抗油污能力,完美適配汽車內部嚴苛的運行環境;SMD雙焊盤設計既解決了汽車鐘表小型化,精致化的設計痛點,又提升了安裝穩定性與生產效率,適配大規模工業化生產需求;汽車級全流程品質管控與寬溫適配能力,確保產品在高低溫,振動等極端場景下仍能穩定運行;超高頻率穩定性則為汽車鐘表提供了精準的計時基準,徹底杜絕計時偏差,彰顯高端汽車鐘表的品質質感.這款晶振憑借全方位的性能優勢,能夠完美滿足汽車鐘表行業對計時精度,安裝便捷性,環境適應性,使用壽命的嚴苛要求,有效幫助客戶突破產品品質瓶頸,實現汽車鐘表的升級迭代,提升產品在市場中的核心競爭力.深圳市帝國科技有限公司作為Suntsu松圖品牌官方授權代理,始終堅守"客戶至上,專業高效"的服務理念,深耕電子元器件與汽車內飾配套領域十余年,憑借與Suntsu原廠的深度戰略合作關系,擁有原廠一手供貨權限,始終致力于讓每一位國內汽車鐘表廠商,汽車內飾供應商,都能便捷,高效地獲取Suntsu原廠原裝正品,同時享受專業,全面的技術支持與貼心周到的采購服務,助力客戶的汽車鐘表產品實現品質升級,降本增效,在激烈的市場競爭中快速搶占先機,贏得主動.
如果您有SAW212系列產品的采購需求,選型疑問,或是想了解更多Suntsu松圖系列產品的詳細信息,技術參數,應用案例,歡迎隨時來電咨詢!我們將結合您的具體應用場景,產品需求,為您提供個性化的選型建議與采購方案,全程提供技術支持與貼心服務,解決您采購與使用過程中的各類難題,與您攜手賦能汽車鐘表行業升級,共創行業新價值.
深圳市帝國科技有限公司-Suntsu松圖品牌官方授權代理
咨詢熱線:0755-27881119
我們將竭誠為您提供最優質的產品,最專業的技術支持,最高效的服務,以誠信共贏的理念,與您攜手共進,助力您在高端汽車鐘表領域實現更大突破,共創行業美好未來!
松圖SAW212系列陶瓷SMD雙焊盤汽車鐘表晶振
| SXT22418FE48-32.000M | Suntsu Electronics, Inc. | SXT224 | 32 MHz | ±15ppm |
| SXT1147AA16-25.000M | Suntsu Electronics, Inc. | SXT114 | 25 MHz | ±50ppm |
| SXT22418FE48-26.000M | Suntsu Electronics, Inc. | SXT224 | 26 MHz | ±15ppm |
| SXT22418FE48-26.000MT | Suntsu Electronics, Inc. | SXT224 | 26 MHz | ±15ppm |
| SXT22418FE48-24.576M | Suntsu Electronics, Inc. | SXT224 | 24.576 MHz | ±15ppm |
| SXT32420CC48-40.000M | Suntsu Electronics, Inc. | SXT324 | 40 MHz | ±25ppm |
| SWS61412D48-32.768K | Suntsu Electronics, Inc. | * | 32.768 kHz | - |
| SXT22418FE48-20.000MT | Suntsu Electronics, Inc. | SXT224 | 20 MHz | ±15ppm |
| SXT22418FE48-12.000MT | Suntsu Electronics, Inc. | SXT224 | 12 MHz | ±15ppm |
| SXT22418FE48-12.000M | Suntsu Electronics, Inc. | SXT224 | 12 MHz | ±15ppm |
| SXT22418FE48-25.000MT | Suntsu Electronics, Inc. | SXT224 | 25 MHz | ±15ppm |
| SXT22418FE48-30.000MT | Suntsu Electronics, Inc. | SXT224 | 30 MHz | ±15ppm |
| SXT22418FE48-24.576MT | Suntsu Electronics, Inc. | SXT224 | 24.576 MHz | ±15ppm |
| SXT1147AA07-25.000M | Suntsu Electronics, Inc. | SXT114 | 25 MHz | ±50ppm |
| SWS21212D48-32.768K | Suntsu Electronics, Inc. | SWS212 | 32.768 kHz | - |
| SXT22418FE48-27.000MT | Suntsu Electronics, Inc. | SXT224 | 27 MHz | ±15ppm |
| SWS1127D48-32.768K | Suntsu Electronics, Inc. | SWS112 | 32.768 kHz | - |
| SXT22418FE48-20.000M | Suntsu Electronics, Inc. | SXT224 | 20 MHz | ±15ppm |
| SXT22418FE48-16.000M | Suntsu Electronics, Inc. | SXT224 | 16 MHz | ±15ppm |
| SXT22418FE48-32.000MT | Suntsu Electronics, Inc. | SXT224 | 32 MHz | ±15ppm |
| SXT22418FE48-30.000M | Suntsu Electronics, Inc. | SXT224 | 30 MHz | ±15ppm |
| SXT22418FE48-27.000M | Suntsu Electronics, Inc. | SXT224 | 27 MHz | ±15ppm |
| SXT22418FE48-16.000MT | Suntsu Electronics, Inc. | SXT224 | 16 MHz | ±15ppm |
| SXT22418FE48-25.000M | Suntsu Electronics, Inc. | SXT224 | 25 MHz | ±15ppm |
| SXT22418FE48-32.000M | Suntsu Electronics, Inc. | SXT224 | 32 MHz | ±15ppm |
| SXT1147AA16-25.000M | Suntsu Electronics, Inc. | SXT114 | 25 MHz | ±50ppm |
| SXT22418FE48-26.000M | Suntsu Electronics, Inc. | SXT224 | 26 MHz | ±15ppm |
| SXT22418FE48-26.000MT | Suntsu Electronics, Inc. | SXT224 | 26 MHz | ±15ppm |
| SXT22418FE48-24.576M | Suntsu Electronics, Inc. | SXT224 | 24.576 MHz | ±15ppm |
| SXT32420CC48-40.000M | Suntsu Electronics, Inc. | SXT324 | 40 MHz | ±25ppm |
| SWS61412D48-32.768K | Suntsu Electronics, Inc. | * | 32.768 kHz | - |
| SXT22418FE48-20.000MT | Suntsu Electronics, Inc. | SXT224 | 20 MHz | ±15ppm |
| SXT22418FE48-12.000MT | Suntsu Electronics, Inc. | SXT224 | 12 MHz | ±15ppm |
| SXT22418FE48-12.000M | Suntsu Electronics, Inc. | SXT224 | 12 MHz | ±15ppm |
| SXT22418FE48-25.000MT | Suntsu Electronics, Inc. | SXT224 | 25 MHz | ±15ppm |
| SXT22418FE48-30.000MT | Suntsu Electronics, Inc. | SXT224 | 30 MHz | ±15ppm |
| SXT22418FE48-24.576MT | Suntsu Electronics, Inc. | SXT224 | 24.576 MHz | ±15ppm |
| SXT1147AA07-25.000M | Suntsu Electronics, Inc. | SXT114 | 25 MHz | ±50ppm |
| SWS21212D48-32.768K | Suntsu Electronics, Inc. | SWS212 | 32.768 kHz | - |
| SXT22418FE48-27.000MT | Suntsu Electronics, Inc. | SXT224 | 27 MHz | ±15ppm |
| SWS1127D48-32.768K | Suntsu Electronics, Inc. | SWS112 | 32.768 kHz | - |
| SXT22418FE48-20.000M | Suntsu Electronics, Inc. | SXT224 | 20 MHz | ±15ppm |
| SXT22418FE48-16.000M | Suntsu Electronics, Inc. | SXT224 | 16 MHz | ±15ppm |
| SXT22418FE48-32.000MT | Suntsu Electronics, Inc. | SXT224 | 32 MHz | ±15ppm |
| SXT22418FE48-30.000M | Suntsu Electronics, Inc. | SXT224 | 30 MHz | ±15ppm |
| SXT22418FE48-27.000M | Suntsu Electronics, Inc. | SXT224 | 27 MHz | ±15ppm |
| SXT22418FE48-16.000MT | Suntsu Electronics, Inc. | SXT224 | 16 MHz | ±15ppm |
| SXT22418FE48-25.000M | Suntsu Electronics, Inc. | SXT224 | 25 MHz | ±15ppm |
| SXT22418FE48-32.000M | Suntsu Electronics, Inc. | SXT224 | 32 MHz | ±15ppm |
| SXT1147AA16-25.000M | Suntsu Electronics, Inc. | SXT114 | 25 MHz | ±50ppm |
| SXT22418FE48-26.000M | Suntsu Electronics, Inc. | SXT224 | 26 MHz | ±15ppm |
| SXT22418FE48-26.000MT | Suntsu Electronics, Inc. | SXT224 | 26 MHz | ±15ppm |
| SXT22418FE48-24.576M | Suntsu Electronics, Inc. | SXT224 | 24.576 MHz | ±15ppm |
| SXT32420CC48-40.000M | Suntsu Electronics, Inc. | SXT324 | 40 MHz | ±25ppm |
| SWS61412D48-32.768K | Suntsu Electronics, Inc. | * | 32.768 kHz | - |
| SXT22418FE48-20.000MT | Suntsu Electronics, Inc. | SXT224 | 20 MHz | ±15ppm |
| SXT22418FE48-12.000MT | Suntsu Electronics, Inc. | SXT224 | 12 MHz | ±15ppm |
| SXT22418FE48-12.000M | Suntsu Electronics, Inc. | SXT224 | 12 MHz | ±15ppm |
| SXT22418FE48-25.000MT | Suntsu Electronics, Inc. | SXT224 | 25 MHz | ±15ppm |
| SXT22418FE48-30.000MT | Suntsu Electronics, Inc. | SXT224 | 30 MHz | ±15ppm |
正在載入評論數據...
此文關鍵字: Suntsu松圖晶振車載導航晶振
相關資訊
- [2026-04-28]松圖SAW212系列陶瓷SMD雙焊盤汽車鐘表晶振
- [2026-04-23]MICROCHIP高輸出功率無線模塊
- [2026-04-23]MICROCHIP極端環境與高精度應用解決方案
- [2026-03-17]格耶32.768KHz石英晶體振蕩器全場景使用指南
- [2026-03-17]Fujicom富士通TCXO與OCXO優劣全解析
- [2026-03-05]Microchip戶外車輛觸摸屏守護每一次戶外出行
- [2026-03-05]Taitien泰藝電子以精準時頻技術提升衛星通信精準度
- [2026-03-03]日本SEIKO精工晶振嚴苛環境下的穩定運行標桿






業務經理